
型号及含义

产品特点:
欧姆勒电器生产的VOG-12系列真空断路器产品性能达到国内优先水平,在保持了真空断路器体积小、开断能力强、绝缘强度高、无爆炸危险等优点外,还具有以下特点:
1、采用模块化固封极柱设计,APG浇注工艺,将真空灭弧室、主导电回路固定,大大提高绝缘强度及可靠性,确保一次导电回路的完全免维护。
2、采用新型高真空度、超低阻值型真空灭弧室,分断能力强,绝缘恢复速度快,接触电阻低。
3、产品机构内大部分零件表面处理采用先进的镍磷合金处理工艺,不仅提高了操作机构的整体美观度,更保障了产品高度抗污、抗腐蚀能力。
4、采用全新设计的高性能一体化齿轮式弹簧操作机构,模块化设计,零部件少,传动环节简化,可靠性大为提高,机械寿命高达30000次。
5、固封极柱采用进口环氧树脂及缓冲层保证了可靠的绝缘性能,避免因碰撞和冲击给真空灭弧室造成的损害,同时也避免了因表面静电积尘、凝露等引起的绝缘水平的降低。
6、一次导电主回路采用特殊结构和材质,发热量大大降低,满足了温升的要求并降低了电能损耗。
7、通用性高,与国内同类产品可方便互换,完全兼容国内外各种主流柜型。
使用环境:
正常使用条件
1、环境温度:较高温度+40C,较低温度-150 C。
2、环境湿度:
在24h内测得的相对湿度的平均值不超过95%;月相对湿度平均值不超过90%;
在24h内测得的水蒸气压力的平均值不超过2.2kPa;月水蒸气压力平均值不超过1.8kPa。
在这样的条件下偶尔会出现凝露。
3、海拔不超过4000m。
4、周围空气没有明显地受到尘埃、烟、腐蚀性和或可燃性气体、蒸气或盐雾的污染。
5、来自开关设备和控制设备外部的振动或地动是可以忽略的。
6、地震烈度不超过8级。
特殊使用条件
在超过GB/T11022和本安装使用说明书规定的正常环境条件下使用时,由用户和本公司协商。
主要技术参数
断路器主要技术参数

墩路器机械特性参数

外形尺寸图
侧装式外形尺寸图





注: 1.散热器用于2500A及以上; 2.投运前须拆去; 3.额定 电流为4000A时开关柜需带强迫风冷。
2.固定式VOG在订货时需提供固定柜类型、机械联锁所需达到的功能、断路器及机械联锁的装配位置和接口尺寸等相关技术要求,欧姆勒电器会按您的要求进行定制。
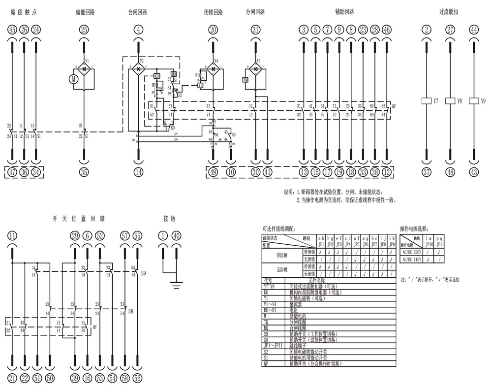
VOG-12系列手车式固封真空断路器电气原理图

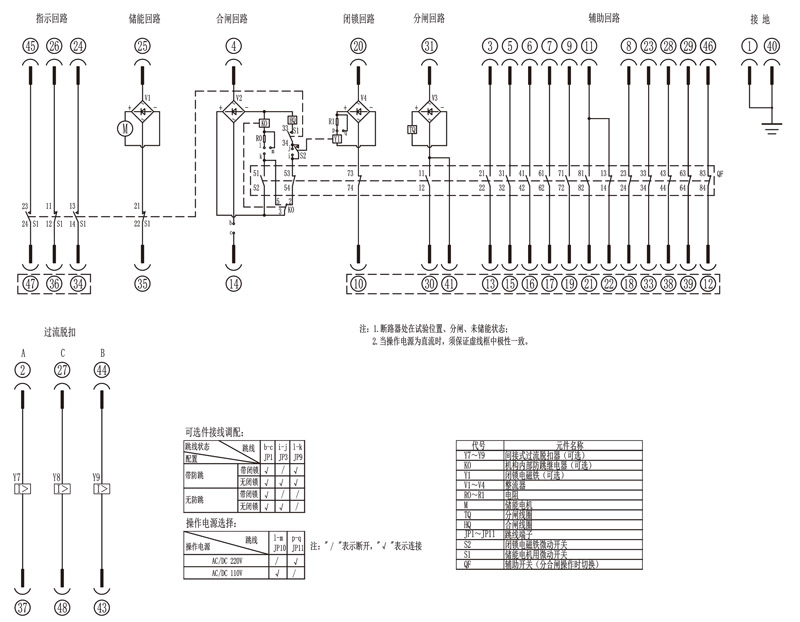
VOG-12系列固定式固封真空断路器电气原理图

| 下一条:VOG-24系列户内高压真空断路器 |


